Описание
Описание
для прокладки трубопроводов, лотков и вентиляции
применяется при монтаже в качестве самостоятельной опоры к стенам, полам и перекрытиям
покрытие: гальваническое цинкование
заглушка входит в комплект
Тех-брошюра ТМС Rail
Артикул
Наименование
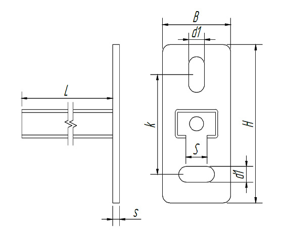
Тип профиля
L (мм)
B (мм)
H (мм)
s (мм)
d1 (мм)
S (мм)
k (мм)
Уп.мин
211201
Консоль ТМС Rail MC0 - 30/20/1.2 - 150 мм
MC0 - 30 х 20
150
45
110
4
25 х 11
15
70
1
211202
Консоль ТМС Rail MC0 - 30/20/1.2 - 200 мм
200
211203
Консоль ТМС Rail MC0 - 30/20/1.2 - 300 мм
300
