Описание
Описание
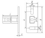
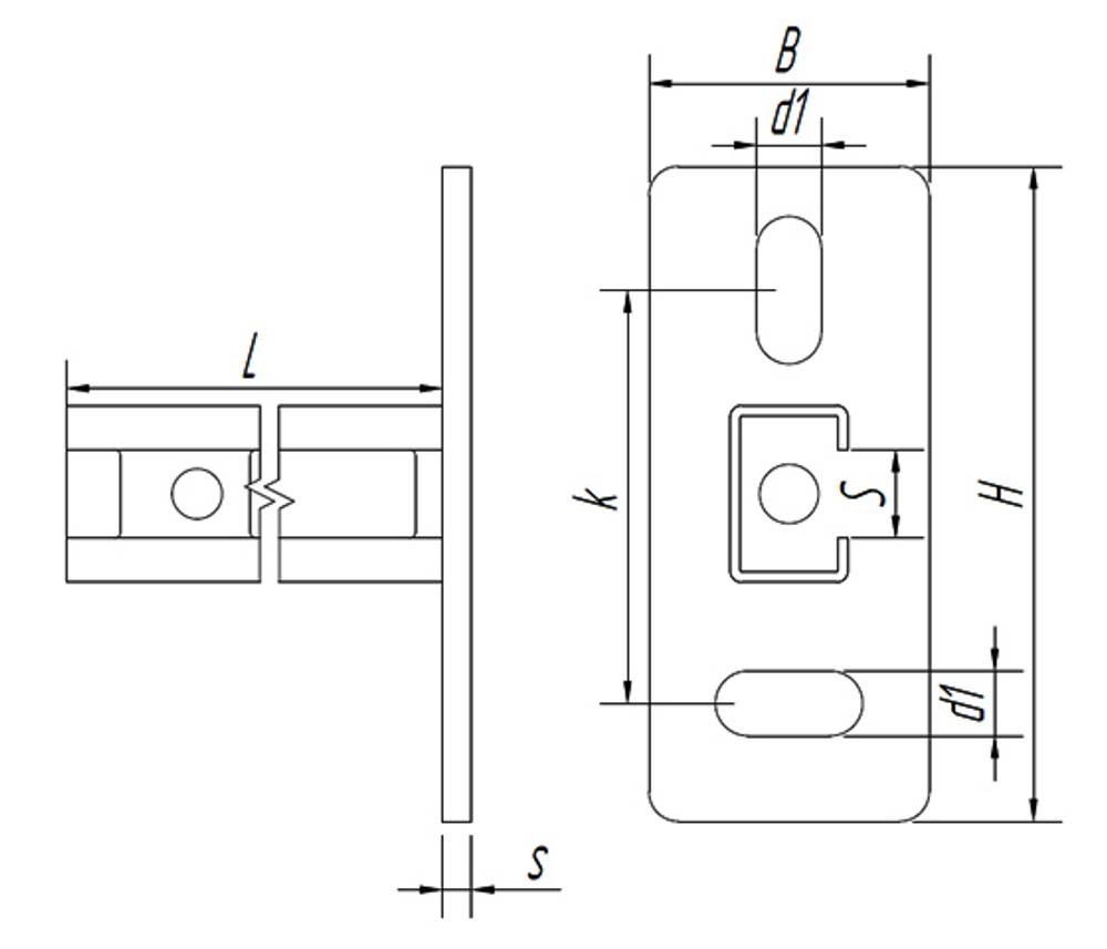
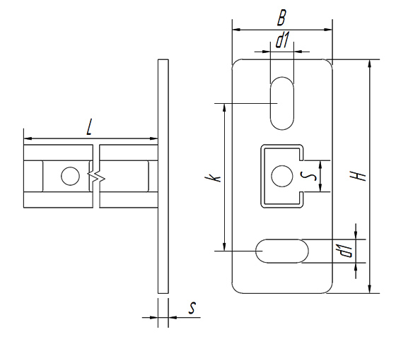
для прокладки трубопроводов, лотков и вентиляции
применяется при монтаже в качестве самостоятельной опоры к стенам, полам и перекрытиям
покрытие: гальваническое цинкование
заглушка входит в комплект
Артикул
Наименование
Тип профиля
L (мм)
B (мм)
H (мм)
s (мм)
d1 (мм)
S (мм)
k (мм)
Уп.мин
234201
Консоль вертикальная ТМС Rail MC15 - 30/20/1,8 - 150 мм
MC15 - 30 х 20
150
45
110
4
25 х 11
15
70
1
234202
Консоль вертикальная ТМС Rail MC15 - 30/20/1,8 - 200 мм
200
234203
Консоль вертикальная ТМС Rail MC15 - 30/20/1,8 - 300 мм
300
