Описание
Описание
для прокладки трубопроводов, лотков и вентиляции
применяется при монтаже в качестве самостоятельной опоры к стенам, полам и перекрытиям
покрытие: гальваническое цинкование
заглушка входит в комплект
Тех-брошюра ТМС Rail
Артикул
Наименование
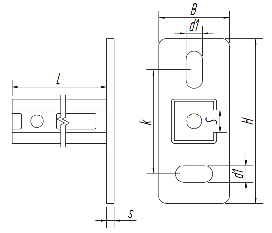
Тип профиля
L (мм)
B (мм)
H (мм)
s (мм)
d1 (мм)
S (мм)
k (мм)
Уп.мин
233301
Консоль вертикальная ТМС Rail MC2 - 30/30/2 - 200 мм
MC2 - 30 х 30
200
45
110
5
25 х 11
15
70
1
233302
Консоль вертикальная ТМС Rail MC2 - 30/30/2 - 300 мм
300
233303
Консоль вертикальная ТМС Rail MC2 - 30/30/2 - 400 мм
400
233304
Консоль вертикальная ТМС Rail MC2 - 30/30/2 - 500 мм
500
