Наличие: В наличии Нет в наличии
Предзаказ

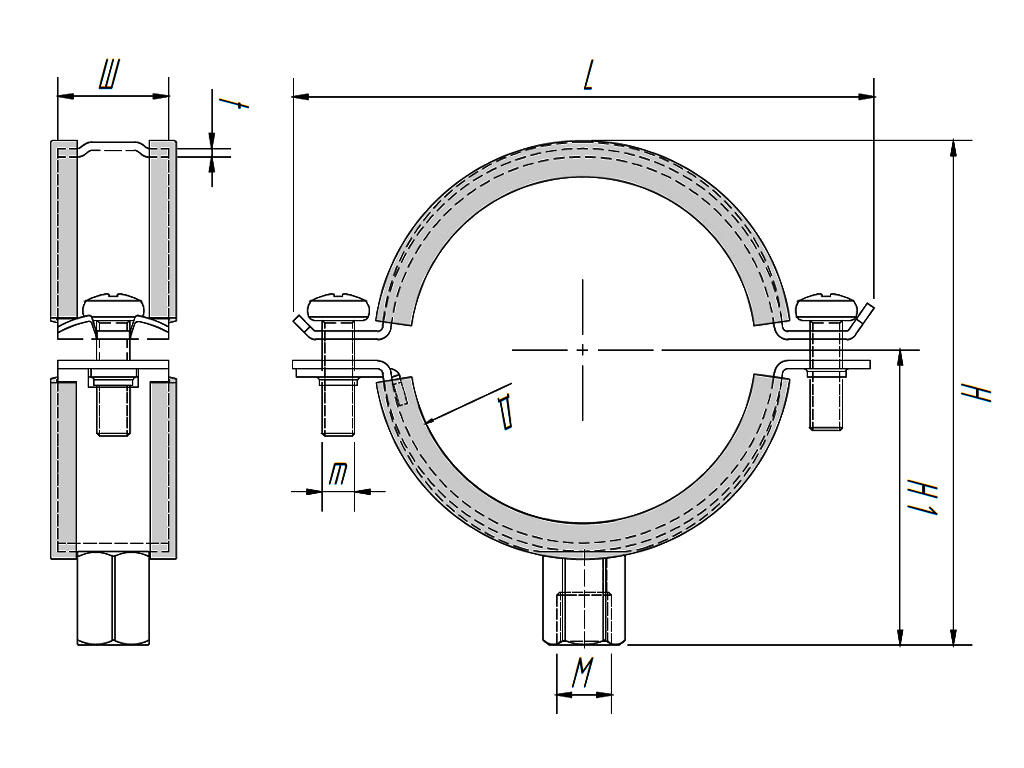
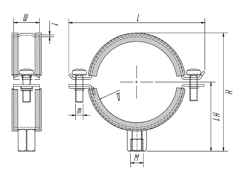
ТМС 2С Хомут оцинкованный с epdm M8 83-91мм

Купить в 1 клик
Добавить в сравнение
Описание
Описание
Для крепления труб водоснабжения и отопления Два винта позволяют регулировать хомут в соответствии с различными диаметрами труб Стопорный винт с фиксирующей шайбой для предотвращения выпадания при монтаже Комбинированная гайка (M) обеспечивает удобство монтажа Прочная конструкция с ребром жёсткости Прочная вставка для плотной посадки Материал: сталь Цинкование: электролитическое (8-12 микрон) Вставка: EPDM; не содержит хлора; не содержит силикона Звукопоглощение: в соответствии с DIN 4109 Термостойкость: от -50 °C до +110 °C Огнестойкость: класс B2 в соответствии с DIN 4102 Артикул Наименование Д (мм) D (дюйм) М (резьба соед.) Ш х t L H H1 m Нагрузка, N Уп.мин 101019 ТМС 2С Хомут оцинкованный с epdm M8 15-19мм 15-19 3/8 M8 20 х 1,2 54 47 31 М5 х 16 1300 1 101023 ТМС 2С Хомут оцинкованный с epdm M8 20-23мм 20-23 1/2 59 51 33 101028 ТМС 2С Хомут оцинкованный с epdm M8 25-28мм 25-28 3/4 64 56 36 101035 ТМС 2С Хомут оцинкованный с epdm M8 32-35мм 32-35 71 63 39 101043 ТМС 2С Хомут оцинкованный с epdm M8 38-43мм 38-43 1-1/4 79 43 101051 ТМС 2С Хомут оцинкованный с epdm M8 48-51мм 48-51 1-1/2 88 101063 ТМС 2С Хомут оцинкованный с epdm M8 57-63мм 57-63 2 20 х 1,5 100 91 М6 х 25 1500 101067 ТМС 2С Хомут оцинкованный с epdm M8 63-67мм 63-67 - 104 95 101073 ТМС 2С Хомут оцинкованный с epdm M8 70-73мм 70-73 110 101 101080 ТМС 2С Хомут оцинкованный с epdm M8 73-80мм 74-80 2-1/2 117 108 62 101091 ТМС 2С Хомут оцинкованный с epdm M8 83-91мм 83-91 3 128 119 68 101106 ТМС 2С Хомут оцинкованный с epdm M8/10 101-106мм 101-106 M8/M10 150 135 76 1800 101115 ТМС 2С Хомут оцинкованный с epdm M8/10 108-114мм 108-114 4 159 144 80 101128 ТМС 2С Хомут оцинкованный с epdm M8/10 123-128мм 123-128 25 х 2 172 156 86 2300 101135 ТМС 2С Хомут оцинкованный с epdm M8/10 131-135мм 131-135 182 166 101142 ТМС 2С Хомут оцинкованный с epdm M8/10 136-142мм 136-142 5 188 173 101163 ТМС 2С Хомут оцинкованный с epdm M8/10 159-163мм 159-163 210 194 105
Обратный звонок
Запрос успешно отправлен!
Имя *
Телефон *
Предзаказ
Предзаказ успешно отправлен!
Имя *
Телефон *
Добавить в корзину
Название товара
100 ₽
1 шт.
Перейти в корзину
Заявка
Заказ в один клик

Я ознакомлен и согласен с условиями оферты и политики конфиденциальности.