Описание
Описание
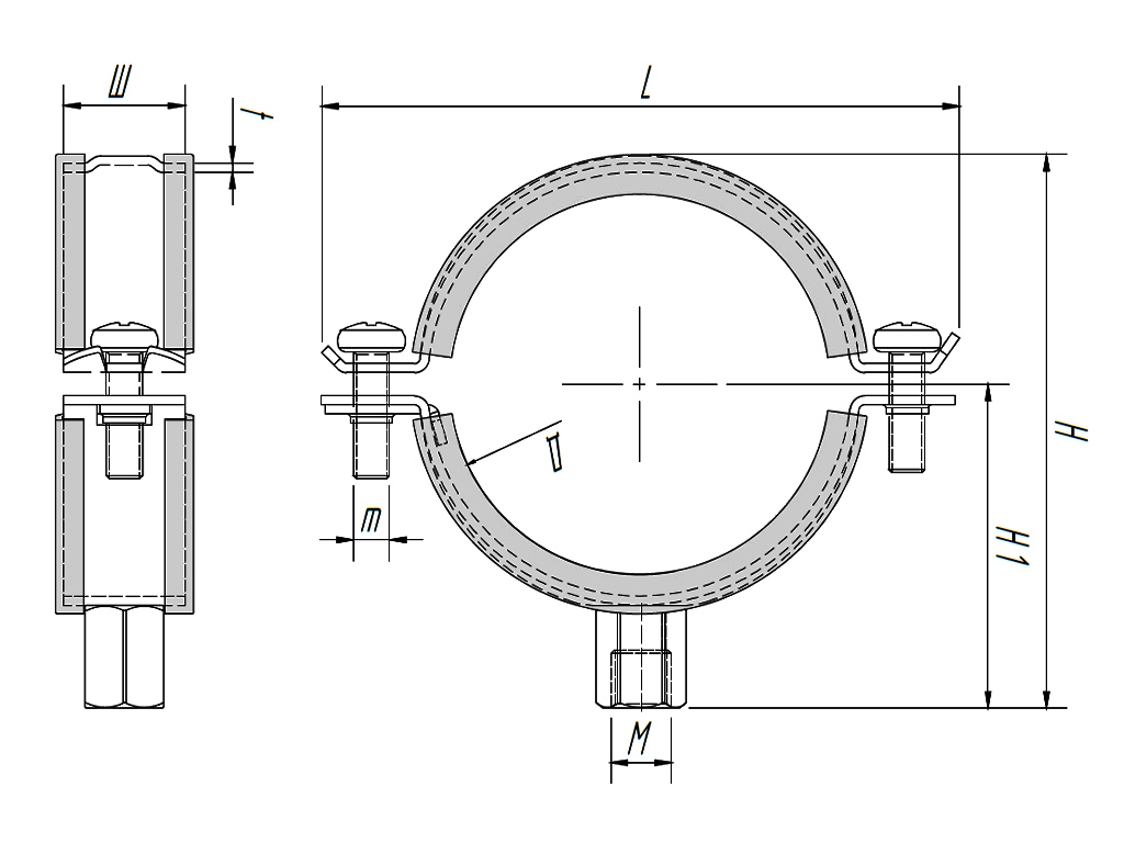
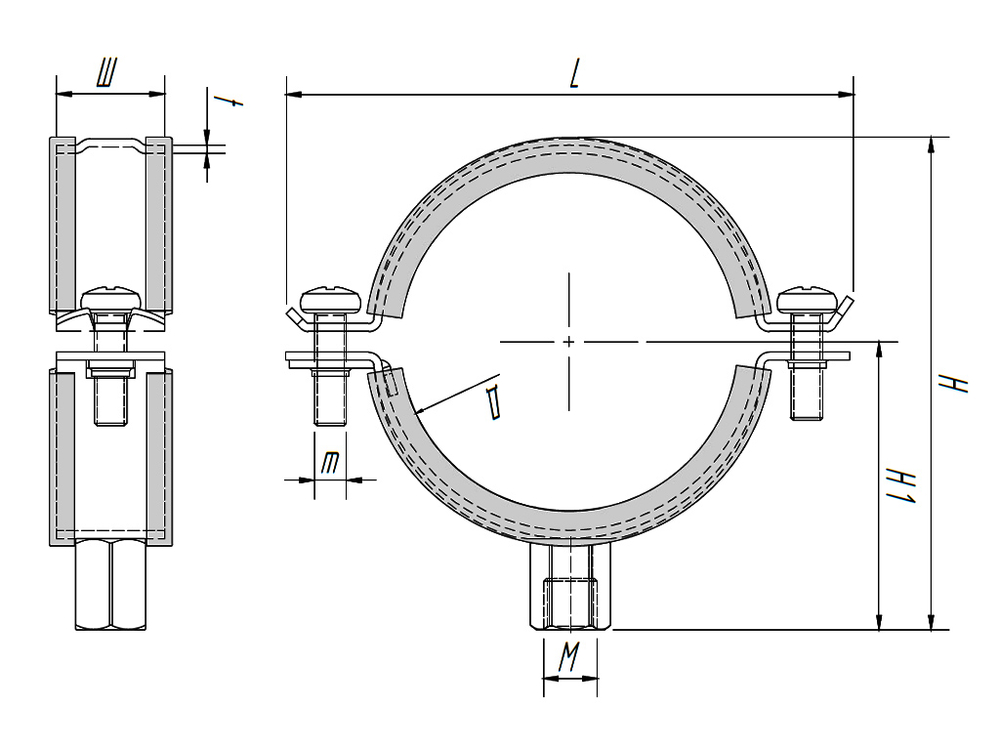
Для крепления труб водоснабжения и отопления
Два винта позволяют регулировать хомут в соответствии с различными
диаметрами труб
Стопорный винт с фиксирующей шайбой для предотвращения выпадания
при монтаже
Комбинированная гайка (M) обеспечивает удобство монтажа
Прочная конструкция с ребром жёсткости
Прочная вставка для плотной посадки
Материал: сталь
Цинкование: электролитическое (8-12 микрон)
Вставка: EPDM; не содержит хлора; не содержит силикона
Звукопоглощение: в соответствии с DIN 4109
Термостойкость: от -50 °C до +110 °C
Огнестойкость: класс B2 в соответствии с DIN 4102
Артикул
Наименование
Д (мм)
D (дюйм)
М (резьба соед.)
Ш х t
L
H
H1
m
Нагрузка, N
Уп.мин
101019
ТМС 2С Хомут оцинкованный с epdm M8 15-19мм
15-19
3/8
M8
20 х 1,2
54
47
31
М5 х 16
1300
1
101023
ТМС 2С Хомут оцинкованный с epdm M8 20-23мм
20-23
1/2
59
51
33
101028
ТМС 2С Хомут оцинкованный с epdm M8 25-28мм
25-28
3/4
64
56
36
101035
ТМС 2С Хомут оцинкованный с epdm M8 32-35мм
32-35
71
63
39
101043
ТМС 2С Хомут оцинкованный с epdm M8 38-43мм
38-43
1-1/4
79
43
101051
ТМС 2С Хомут оцинкованный с epdm M8 48-51мм
48-51
1-1/2
88
101063
ТМС 2С Хомут оцинкованный с epdm M8 57-63мм
57-63
2
20 х 1,5
100
91
М6 х 25
1500
101067
ТМС 2С Хомут оцинкованный с epdm M8 63-67мм
63-67
-
104
95
101073
ТМС 2С Хомут оцинкованный с epdm M8 70-73мм
70-73
110
101
101080
ТМС 2С Хомут оцинкованный с epdm M8 73-80мм
74-80
2-1/2
117
108
62
101091
ТМС 2С Хомут оцинкованный с epdm M8 83-91мм
83-91
3
128
119
68
101106
ТМС 2С Хомут оцинкованный с epdm M8/10 101-106мм
101-106
M8/M10
150
135
76
1800
101115
ТМС 2С Хомут оцинкованный с epdm M8/10 108-114мм
108-114
4
159
144
80
101128
ТМС 2С Хомут оцинкованный с epdm M8/10 123-128мм
123-128
25 х 2
172
156
86
2300
101135
ТМС 2С Хомут оцинкованный с epdm M8/10 131-135мм
131-135
182
166
101142
ТМС 2С Хомут оцинкованный с epdm M8/10 136-142мм
136-142
5
188
173
101163
ТМС 2С Хомут оцинкованный с epdm M8/10 159-163мм
159-163
210
194
105
