Наличие: В наличии Нет в наличии
Предзаказ

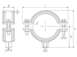
ТМС НС1 Хомут оцинкованный для высоких нагрузок с epdm M12/16 219-225мм

Купить в 1 клик
Добавить в сравнение
Описание
Описание
Двухвинтовой трубный хомут для высоких нагрузок Для монтажа труб Предназначен для высоких нагрузок Прочный крепеж хомута обеспечивает высокую грузоподъемность Высокопрочная сварка по всему периметру соединительной гайки Прочная звукоизоляционная вставка для плотной посадки Материал: сталь Цинкование: электролитическое (8-12 микрон) Вставка: EPDM; не содержит хлора; не содержит силикона Звукопоглощение: в соответствии с DIN 4109 Термостойкость: от -50 °C до +110 °C Огнестойкость: класс B2 в соответствии с DIN 4102 Артикул Наименование Д (мм) D (дюйм) М (резьба соед.) Ш х t L H H1 Шм m Нагрузка, N Уп.мин 110023 ТМС НС1 Хомут оцинкованный для высоких нагрузок с epdm M8/10 19-23мм 19-23 1/2 M8/M10 30 х 2,5 71 64 43 17 М 8 х 30 2500 1 110028 ТМС НС1 Хомут оцинкованный для высоких нагрузок с epdm M8/10 24-28мм 24-28 3/4 77 69 46 110033 ТМС НС1 Хомут оцинкованный для высоких нагрузок с epdm M8/10 29-33мм 29-33 - 83 75 49 110045 ТМС НС1 Хомут оцинкованный для высоких нагрузок с epdm M8/10 40-45мм 40-45 1-1/4 96 87 55 110052 ТМС НС1 Хомут оцинкованный для высоких нагрузок с epdm M8/10 47-52мм 47-52 1-1/2 102 93 58 110058 ТМС НС1 Хомут оцинкованный для высоких нагрузок с epdm M8/10 53-58мм 53-58 108 99 61 110065 ТМС НС1 Хомут оцинкованный для высоких нагрузок с epdm M8/10 60-65мм 60-65 2 115 106 110072 ТМС НС1 Хомут оцинкованный для высоких нагрузок с epdm M10/12 67-72мм 67-72 M10/M12 30 х 3 135 121 74 19 М 8 х 40 3500 110078 ТМС НС1 Хомут оцинкованный для высоких нагрузок с epdm M10/12 73-78мм 73-78 2-1/2 141 127 110085 ТМС НС1 Хомут оцинкованный для высоких нагрузок с epdm M10/12 79-85мм 79-85 147 133 80 110093 ТМС НС1 Хомут оцинкованный для высоких нагрузок с epdm M10/12 88-93мм 88-93 3 157 142 84 110106 ТМС НС1 Хомут оцинкованный для высоких нагрузок с epdm M10/12 100-106мм 100-106 171 156 91 110115 ТМС НС1 Хомут оцинкованный для высоких нагрузок с epdm M10/12 108-115мм 108-115 4 179 164 95 110129 ТМС НС1 Хомут оцинкованный для высоких нагрузок с epdm M12/16 124-129мм 124-129 M12/M16 40 х 4 208 180 104 24 М 12 х 45 5000 110137 ТМС НС1 Хомут оцинкованный для высоких нагрузок с epdm M12/16 131-137мм 131-137 216 188 110162 ТМС НС1 Хомут оцинкованный для высоких нагрузок с epdm M12/16 156-162мм 156-162 6 242 213 120 110214 ТМС НС1 Хомут оцинкованный для высоких нагрузок с epdm M12/16 208-214мм 208-214 294 265 146 10000 110225 ТМС НС1 Хомут оцинкованный для высоких нагрузок с epdm M12/16 219-225мм 219-225 8 305 276 152 110273 ТМС НС1 Хомут оцинкованный для высоких нагрузок с epdm M12/16 267-273мм 267-273 10 354 324 176 110325 ТМС НС1 Хомут оцинкованный для высоких нагрузок с epdm M16 315-325мм 315-325 М16 50 х 5,5 403 360 186 М12 х 45 12000
Обратный звонок
Запрос успешно отправлен!
Имя *
Телефон *
Предзаказ
Предзаказ успешно отправлен!
Имя *
Телефон *
Добавить в корзину
Название товара
100 ₽
1 шт.
Перейти в корзину
Заявка
Заказ в один клик

Я ознакомлен и согласен с условиями оферты и политики конфиденциальности.