Описание
Описание
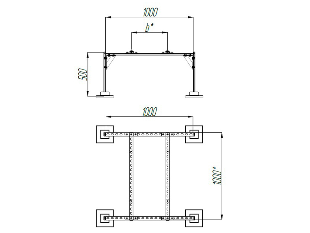
Комплект предназначен для монтажа легкого оборудования на кровле.
В комплект входят: 4-е кровельные опоры 20ЛС, ТМС Strut профиль, уголки 4 отв., седельные соединители и метизы.
Рекомендуемая нагрузка — не более 60кг
Размер b* можно изменить по месту монтажа
Для более детального подбора решения под Ваш проект Вы можете заполнить опросный лист и прислать на нашу почту
info@titan-ms.ru
Скачать опросный лист
