Описание
Описание
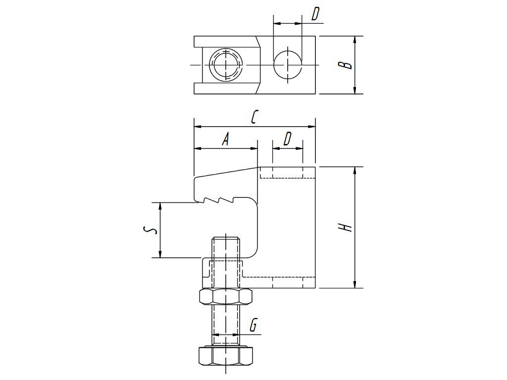
Для крепления трубопроводов, воздуховодов и спринклерных систем к балкам
Крепление на балке без сварки и сверления
Самый простой, быстрый и экономичный способ для подвешивания к балкам строительных конструкций
Высокая несущая способность благодаря конструкции рёбер жесткости
Подходит для использования с параллельными или коническими поперечными балками
Регулировка уровня возможна с помощью сквозного отверстия (D)
Отсутствие соскальзывания зажима со стальной балки
Материал: сталь
Цинкование: электролитическое (8-12 микрон)
Артикул
Наименование
Диапазон зажима (S), мм
Резьба соедин., (D)
Крепёжный болт (G)
А, мм
В, мм
С, мм
Е, мм
Н, мм
Нагрузка, Н
Уп.мин
201008
ТМС Струбцина VdS, M8/18мм
0-20
М8
М10
29
21
50
41
47
2500
1
201010
ТМС Струбцина VdS/FM, M10/20мм
23
44
201012
ТМС Струбцина VdS/FM, M12/26мм
0-26
М12
35
58
48
56
3500
