Наличие: В наличии Нет в наличии
Предзаказ

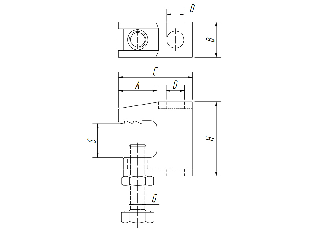
ТМС Струбцина VdS/FM, M12/26мм

Купить в 1 клик
Добавить в сравнение
Описание
Описание
Для крепления трубопроводов, воздуховодов и спринклерных систем к балкам Крепление на балке без сварки и сверления Самый простой, быстрый и экономичный способ для подвешивания к балкам строительных конструкций Высокая несущая способность благодаря конструкции рёбер жесткости Подходит для использования с параллельными или коническими поперечными балками Регулировка уровня возможна с помощью сквозного отверстия (D) Отсутствие соскальзывания зажима со стальной балки Материал: сталь Цинкование: электролитическое (8-12 микрон) Артикул Наименование Диапазон зажима (S), мм Резьба соедин., (D) Крепёжный болт (G) А, мм В, мм С, мм Е, мм Н, мм Нагрузка, Н Уп.мин 201008 ТМС Струбцина VdS, M8/18мм 0-20 М8 М10 29 21 50 41 47 2500 1 201010 ТМС Струбцина VdS/FM, M10/20мм 23 44 201012 ТМС Струбцина VdS/FM, M12/26мм 0-26 М12 35 58 48 56 3500
Обратный звонок
Запрос успешно отправлен!
Имя *
Телефон *
Предзаказ
Предзаказ успешно отправлен!
Имя *
Телефон *
Добавить в корзину
Название товара
100 ₽
1 шт.
Перейти в корзину
Заявка
Заказ в один клик

Я ознакомлен и согласен с условиями оферты и политики конфиденциальности.